Ratojen ohjauslaatikko
11.10.2008 17:15 #9750
: Kaitsu
Auto tykkää, että sillä ajetaan.
finscale.livejournal.com/
Vastaus käyttäjältä Kaitsu aiheessa Re: Ratojen ohjauslaatikko
Auto tykkää, että sillä ajetaan.
finscale.livejournal.com/
Kirjaudu sisään tai Rekisteröidy liittyäksesi keskusteluun.
13.10.2008 05:20 #9760
: lordjw
Helsingin Sanomat - Lyödään totuutta turpaan vuodesta 1889 lähtien.
Teres
Kiitokset linkistä.
Ohjauskurvin saa siis itse ohjelmoida, mikä on tietty hieno funktio.
Sitä kohtaa en oikein ymmärtänyt, jossa oli jotakin selitystä että valitaan moottorityyppi, koska eri moottorit on erilaisia. Mutta jos ohjain on hyvin suunniteltu PWM ohjain se on täysin tunnoton moottorin suhteen. Tarkoitan siis että PWM tekniikalle on ihan sama onko siellä perässä Mabuchi vai G7. Tuntuman pitäisi olla aina sama, kunhan tehoa riittää ja ohjaimen FETit ovat hyvälaatuisia.
FranSpeedissä on mekaaninen wiperi ja ohjaimen yläreunasta esiin työntyvä piirilevy.
T: Julius
Kiitokset linkistä.
Ohjauskurvin saa siis itse ohjelmoida, mikä on tietty hieno funktio.
Sitä kohtaa en oikein ymmärtänyt, jossa oli jotakin selitystä että valitaan moottorityyppi, koska eri moottorit on erilaisia. Mutta jos ohjain on hyvin suunniteltu PWM ohjain se on täysin tunnoton moottorin suhteen. Tarkoitan siis että PWM tekniikalle on ihan sama onko siellä perässä Mabuchi vai G7. Tuntuman pitäisi olla aina sama, kunhan tehoa riittää ja ohjaimen FETit ovat hyvälaatuisia.
FranSpeedissä on mekaaninen wiperi ja ohjaimen yläreunasta esiin työntyvä piirilevy.
T: Julius
Helsingin Sanomat - Lyödään totuutta turpaan vuodesta 1889 lähtien.
Kirjaudu sisään tai Rekisteröidy liittyäksesi keskusteluun.
17.12.2008 04:40 #10120
: lordjw
Helsingin Sanomat - Lyödään totuutta turpaan vuodesta 1889 lähtien.
Tervehdys!
Otin vihdoinkin itseäni niskasta kiinni ja jatkoin kahvaprojektia. Projekti jatkui virtatesteillä. Ajoin 11A jatkuvaa virtaa ohjaimen läpi. Poverina MeanWell 12V/24A poveri ja kuormana 1ohm/300W vastus. Tällaisella kuormituksella transistorit eivät lämpene lainkaan.
Virtamittarini mittauskyky loppui tuohon 11A virtaan. Täytyy hommata pihtivirtamittari ja kokeilla alkavatko trankut lämmetä edes täydellä 12V/24A kuormituksella, jonka MeanWellistä saa irti.
Tämän jälkeen en tiedä mistä saisin irti turvallisesti enemmän kuin 24A virtaa, mutta ehkä se ei ole tarpeenkaan. Akusta saisi, mutta silloin pitäisi olla jo vähän tarkkana siitä mitä tapahtuu.
Cheers!
Julius
Otin vihdoinkin itseäni niskasta kiinni ja jatkoin kahvaprojektia. Projekti jatkui virtatesteillä. Ajoin 11A jatkuvaa virtaa ohjaimen läpi. Poverina MeanWell 12V/24A poveri ja kuormana 1ohm/300W vastus. Tällaisella kuormituksella transistorit eivät lämpene lainkaan.
Virtamittarini mittauskyky loppui tuohon 11A virtaan. Täytyy hommata pihtivirtamittari ja kokeilla alkavatko trankut lämmetä edes täydellä 12V/24A kuormituksella, jonka MeanWellistä saa irti.
Tämän jälkeen en tiedä mistä saisin irti turvallisesti enemmän kuin 24A virtaa, mutta ehkä se ei ole tarpeenkaan. Akusta saisi, mutta silloin pitäisi olla jo vähän tarkkana siitä mitä tapahtuu.
Cheers!
Julius
Helsingin Sanomat - Lyödään totuutta turpaan vuodesta 1889 lähtien.
Kirjaudu sisään tai Rekisteröidy liittyäksesi keskusteluun.
18.12.2008 05:47 #10131
: lordjw
Helsingin Sanomat - Lyödään totuutta turpaan vuodesta 1889 lähtien.
Tervehdys taas!
Kuormitin ohjainta lisää, tälläkertaa 22A virralla. Tälläerää tuli uusia havaintoja siten, että pulssitus kuormittaa transistoria yllättävän paljon. Tämän ei pitäisi tietenkään olla mikään yllätys, nousu- ja laskutransientit sisältävät kaikki taajuudet ja paljon energiaa. Eli suomeksi sanottuna transistori lämpenee huomattavasti enemmän 50% pulssituksella kuin 100% pulssituksella. 100% tarkoittaa että trankku on koko ajan päällä ja lämpenee tuskin ollenkaan 22A virralla. 50% pulssilla 22A virralla komponentit kuumenevat voimakkaasti ja tarvitsevat jäähdytyslevyn.
Kokeilin 50% pulssitusta 10A virralla ja sillä trankut eivät lämpene lainkaan. Loppupäätelmä: Jos ohjaimella halutaan siis ohjata yli 10A virtoja, transistoreille pitää laittaa jäähdytyslevyt ja tuuletin.
T: Julius
Kuormitin ohjainta lisää, tälläkertaa 22A virralla. Tälläerää tuli uusia havaintoja siten, että pulssitus kuormittaa transistoria yllättävän paljon. Tämän ei pitäisi tietenkään olla mikään yllätys, nousu- ja laskutransientit sisältävät kaikki taajuudet ja paljon energiaa. Eli suomeksi sanottuna transistori lämpenee huomattavasti enemmän 50% pulssituksella kuin 100% pulssituksella. 100% tarkoittaa että trankku on koko ajan päällä ja lämpenee tuskin ollenkaan 22A virralla. 50% pulssilla 22A virralla komponentit kuumenevat voimakkaasti ja tarvitsevat jäähdytyslevyn.
Kokeilin 50% pulssitusta 10A virralla ja sillä trankut eivät lämpene lainkaan. Loppupäätelmä: Jos ohjaimella halutaan siis ohjata yli 10A virtoja, transistoreille pitää laittaa jäähdytyslevyt ja tuuletin.
T: Julius
Helsingin Sanomat - Lyödään totuutta turpaan vuodesta 1889 lähtien.
Kirjaudu sisään tai Rekisteröidy liittyäksesi keskusteluun.
12.09.2009 09:27 #11871
: lordjw
Helsingin Sanomat - Lyödään totuutta turpaan vuodesta 1889 lähtien.
Teres!
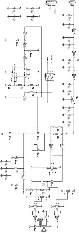
Vihdoinkin taas etenee. Alapuolella on ensin ohjauspiiri. P16F84 peruskama ohjaa tehoastetta. Tulot kahvalta ja lisäksi yksikköön tulee pari kytkintä, joilla voi esim. disabloida jarrun. Pakolliset statusledit, joilla voi välkytellä missä tilassa laite on. Virranrajoitus/ylivirta on digitaalinen signaali OPAMpilta, joka tarkkailee shunttivastusta, tämä jälkimmäisessä kaaviossa.
A-kaavio
Alapuolella tehoaste. Fetit asennetaan jäähdytysritilään ja ritilässä on lämpötilantarkkailupiiri. Jos ylikuumenee, nin tuuletin menee automaattisesti päälle. Jätin jarrutuspiiriin ainoastaan yhden fetin. Tässä kaaviossa on tuo virtamittauspiiri, ei hajuakaan toimiiko käytännössä. Aluksi sen voi jättää pois ja luottaa vain sulakkeeseen. Tilasin 25A sulakkeita.
Kaikki komponentit on ainakin 10kpl sarjaan jo hommattu, poislukien piirilevy, jonka saan toivoakseni mahdollisimman nopeasti suunniteltua.
Eli anteeksi ja kiitoksia kärsivällisyydestä.
Jos joku huomaa ylläolevissa kaavioissa virheitä, niin ilmoitelkaa niin korjataan.
T: Julius
Vihdoinkin taas etenee. Alapuolella on ensin ohjauspiiri. P16F84 peruskama ohjaa tehoastetta. Tulot kahvalta ja lisäksi yksikköön tulee pari kytkintä, joilla voi esim. disabloida jarrun. Pakolliset statusledit, joilla voi välkytellä missä tilassa laite on. Virranrajoitus/ylivirta on digitaalinen signaali OPAMpilta, joka tarkkailee shunttivastusta, tämä jälkimmäisessä kaaviossa.
A-kaavio
Alapuolella tehoaste. Fetit asennetaan jäähdytysritilään ja ritilässä on lämpötilantarkkailupiiri. Jos ylikuumenee, nin tuuletin menee automaattisesti päälle. Jätin jarrutuspiiriin ainoastaan yhden fetin. Tässä kaaviossa on tuo virtamittauspiiri, ei hajuakaan toimiiko käytännössä. Aluksi sen voi jättää pois ja luottaa vain sulakkeeseen. Tilasin 25A sulakkeita.
Kaikki komponentit on ainakin 10kpl sarjaan jo hommattu, poislukien piirilevy, jonka saan toivoakseni mahdollisimman nopeasti suunniteltua.
Eli anteeksi ja kiitoksia kärsivällisyydestä.
Jos joku huomaa ylläolevissa kaavioissa virheitä, niin ilmoitelkaa niin korjataan.
T: Julius
Helsingin Sanomat - Lyödään totuutta turpaan vuodesta 1889 lähtien.
Kirjaudu sisään tai Rekisteröidy liittyäksesi keskusteluun.
12.09.2009 18:46 #11873
: lordjw
Helsingin Sanomat - Lyödään totuutta turpaan vuodesta 1889 lähtien.
Jou,
Tällaiselta näyttää piirilevynsuunnittelu. Osat ovat hässäkkänä ja ns. kuminauhat näyttää mitkä komponentit tulisi yhdistää toisiinsa.
Tässä hommassa menee joskus aivot solmuun. Alakuvassa zuumi komponenteista. Tavoitteena on yksipuolinen levy, jossa jalalliset komponentit ovat yläpuolella ja pintaliitoskomponentit alapuolella. Näin tila käytetään tehokkaimmin.
Hankalin osa eli suunnittelu, komponenttivalinnat ja piirrossymboleiden fyysisiin koteloihin sovittaminen on takanapäin. Piirilevynteko on tästä melkolailla mekaanista puuhaa.
T: Julius
Tällaiselta näyttää piirilevynsuunnittelu. Osat ovat hässäkkänä ja ns. kuminauhat näyttää mitkä komponentit tulisi yhdistää toisiinsa.
Tässä hommassa menee joskus aivot solmuun. Alakuvassa zuumi komponenteista. Tavoitteena on yksipuolinen levy, jossa jalalliset komponentit ovat yläpuolella ja pintaliitoskomponentit alapuolella. Näin tila käytetään tehokkaimmin.
Hankalin osa eli suunnittelu, komponenttivalinnat ja piirrossymboleiden fyysisiin koteloihin sovittaminen on takanapäin. Piirilevynteko on tästä melkolailla mekaanista puuhaa.
T: Julius
Helsingin Sanomat - Lyödään totuutta turpaan vuodesta 1889 lähtien.
Kirjaudu sisään tai Rekisteröidy liittyäksesi keskusteluun.
14.09.2009 08:19 #11878
: lordjw
Helsingin Sanomat - Lyödään totuutta turpaan vuodesta 1889 lähtien.
Vastaus käyttäjältä lordjw aiheessa Re: Ratojen ohjauslaatikko
Jou!
Piirilevy on nyt pääpiirteissään suunniteltu ja valmis, jotakin pikkuviilaamista. Prinelin (piirilevytehdas) hintalaskurin mukaan 25kpl sarja maksaa 165e + toimitusmaksu 15e. 1kpl maksaa 100e. Ei voi muuta kun varmistella että levysuunnitelma on mahdollisimman hyvä ja tilata sarja economy-aikataululla, joka on n. 2vk, mutta riippuu tehtaan kiireistä.
T: Julius
Piirilevy on nyt pääpiirteissään suunniteltu ja valmis, jotakin pikkuviilaamista. Prinelin (piirilevytehdas) hintalaskurin mukaan 25kpl sarja maksaa 165e + toimitusmaksu 15e. 1kpl maksaa 100e. Ei voi muuta kun varmistella että levysuunnitelma on mahdollisimman hyvä ja tilata sarja economy-aikataululla, joka on n. 2vk, mutta riippuu tehtaan kiireistä.
T: Julius
Helsingin Sanomat - Lyödään totuutta turpaan vuodesta 1889 lähtien.
Kirjaudu sisään tai Rekisteröidy liittyäksesi keskusteluun.
14.09.2009 15:02 #11881
: lordjw
Helsingin Sanomat - Lyödään totuutta turpaan vuodesta 1889 lähtien.
Teretaas
Kaikki edellisen postin kuvissa näkyvät kuminauhat on nyt yhdistelty toisiinsa ja maailmaan on syntynyt uusi valmis piirilevykuva. Allaolevassa kuvassa on ns. "Fabrication drawing", joka näyttää silkkipainon ja jalallisten komponenttien padit. Tehonsyötön ja kahvan liittimet näkyvät oikealla. Levyn vasemmalla puolella on alhaalta ylöspäin katsoen: 2 kytkintä, RJ45 liitin laajennuspaneelille, 3 lediä, 2 trimmeriä virranrajoituksen ja tuulettimen autokäynnistyksen säätöihin. Levyn yläreunassa sulakepesä ja suodatuskela. Alareunassa kontrolleri ja iso H- muotoinen mötikkä on fettien jäähdystyslevy. Iiiiso ympyrä kuvaa 80x80 tuuletinta, joka voidaan haluttaessa asentaa laitteeseen. Tuulettimelle on autokäynnistys.
Ja tällaiselta kuparointi näyttää. Koska tämä ja kaikki halutaan tehdä halvalla, niin levy on yksipuoleinen. Yläpuolella perinteiset komponentit ja alapuolella pintaliitoskomponentit.
Alakuvassa vielä pintaliitoskomponenttien sijoittelukaavio. Tämä on tulostettu peilikuvana.
Jos joku huomaa suunnittelussa ilmiselvän virheen, niin ilmoitelkaa niin korjataan.
Prinelin laskurin mukaan 25kpl sarja tosiaankin maksaa noin 165euroa. Täytyy varmaankin tilata levyt samointein.
T: Julius
Kaikki edellisen postin kuvissa näkyvät kuminauhat on nyt yhdistelty toisiinsa ja maailmaan on syntynyt uusi valmis piirilevykuva. Allaolevassa kuvassa on ns. "Fabrication drawing", joka näyttää silkkipainon ja jalallisten komponenttien padit. Tehonsyötön ja kahvan liittimet näkyvät oikealla. Levyn vasemmalla puolella on alhaalta ylöspäin katsoen: 2 kytkintä, RJ45 liitin laajennuspaneelille, 3 lediä, 2 trimmeriä virranrajoituksen ja tuulettimen autokäynnistyksen säätöihin. Levyn yläreunassa sulakepesä ja suodatuskela. Alareunassa kontrolleri ja iso H- muotoinen mötikkä on fettien jäähdystyslevy. Iiiiso ympyrä kuvaa 80x80 tuuletinta, joka voidaan haluttaessa asentaa laitteeseen. Tuulettimelle on autokäynnistys.
Ja tällaiselta kuparointi näyttää. Koska tämä ja kaikki halutaan tehdä halvalla, niin levy on yksipuoleinen. Yläpuolella perinteiset komponentit ja alapuolella pintaliitoskomponentit.
Alakuvassa vielä pintaliitoskomponenttien sijoittelukaavio. Tämä on tulostettu peilikuvana.
Jos joku huomaa suunnittelussa ilmiselvän virheen, niin ilmoitelkaa niin korjataan.
Prinelin laskurin mukaan 25kpl sarja tosiaankin maksaa noin 165euroa. Täytyy varmaankin tilata levyt samointein.
T: Julius
Helsingin Sanomat - Lyödään totuutta turpaan vuodesta 1889 lähtien.
Kirjaudu sisään tai Rekisteröidy liittyäksesi keskusteluun.
Sivu luotiin ajassa: 0.288 sekuntia